Dragon 32 Schematics

Please read warning below before viewing/downloading.

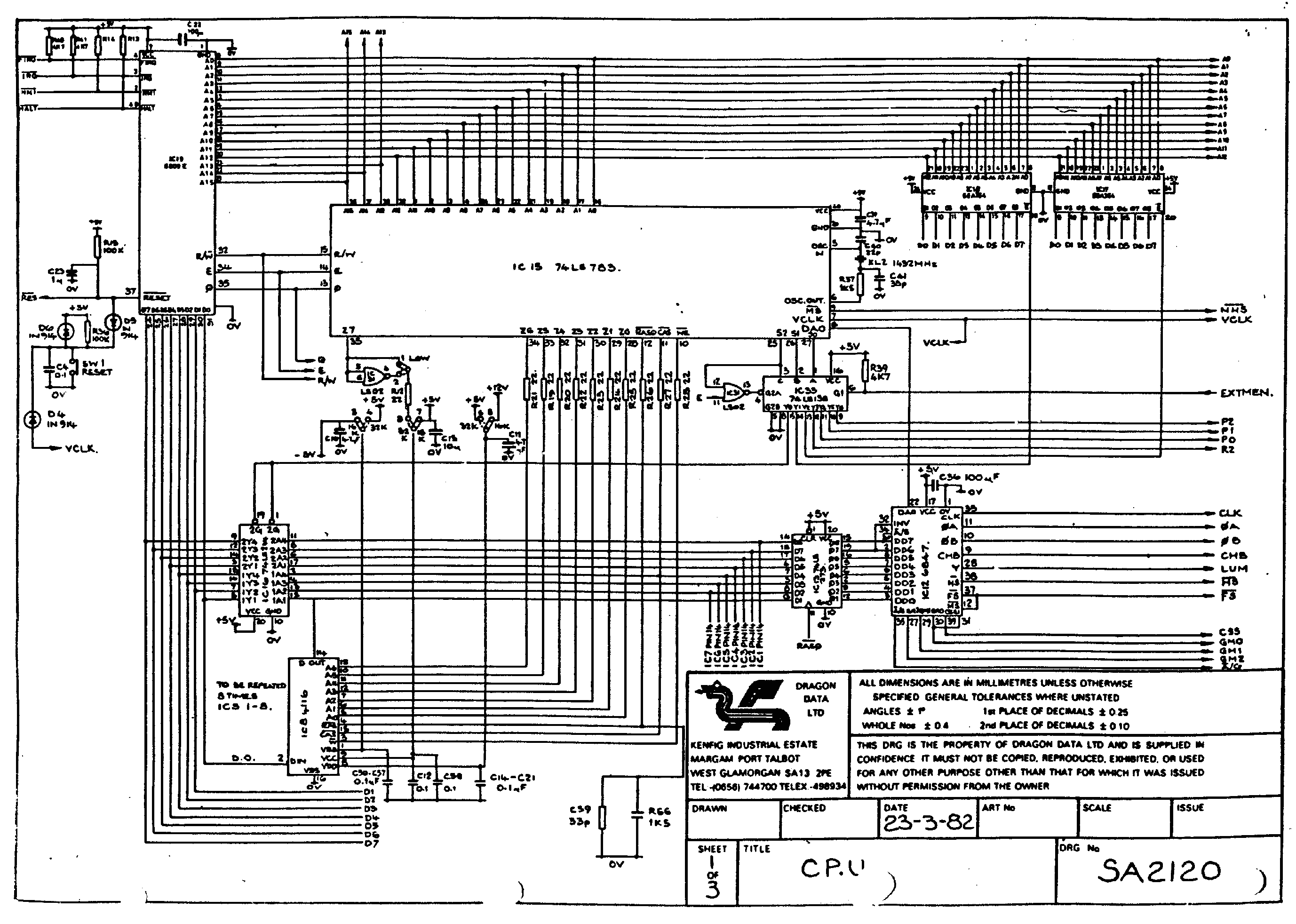
The two best available (2019) original circuit diagrams are in the sets below.

 

*PLEASE NOTE* The Dragon 32 went through many circuit changes, 3 of which are shown available below.

ALL DIAGRAMS BELOW ARE ONLY KEPT FOR REFERENCE ONLY DUE TO LOW QUALITY

Siemens

 

SA

 

OKI

 

Many thanks to Paul Grade for making the original scans and Simon Hardy for passing them on.

WARNING

All the above scans are provided as 'AS IS' and are for information only. Please note that the original scans/pictures are of poor quality and are difficult to read. If you kill your Dragon or blow yourself up don't come running to me.

By downloading/viewing the above schematics (circuit diagrams) you agree to the above.