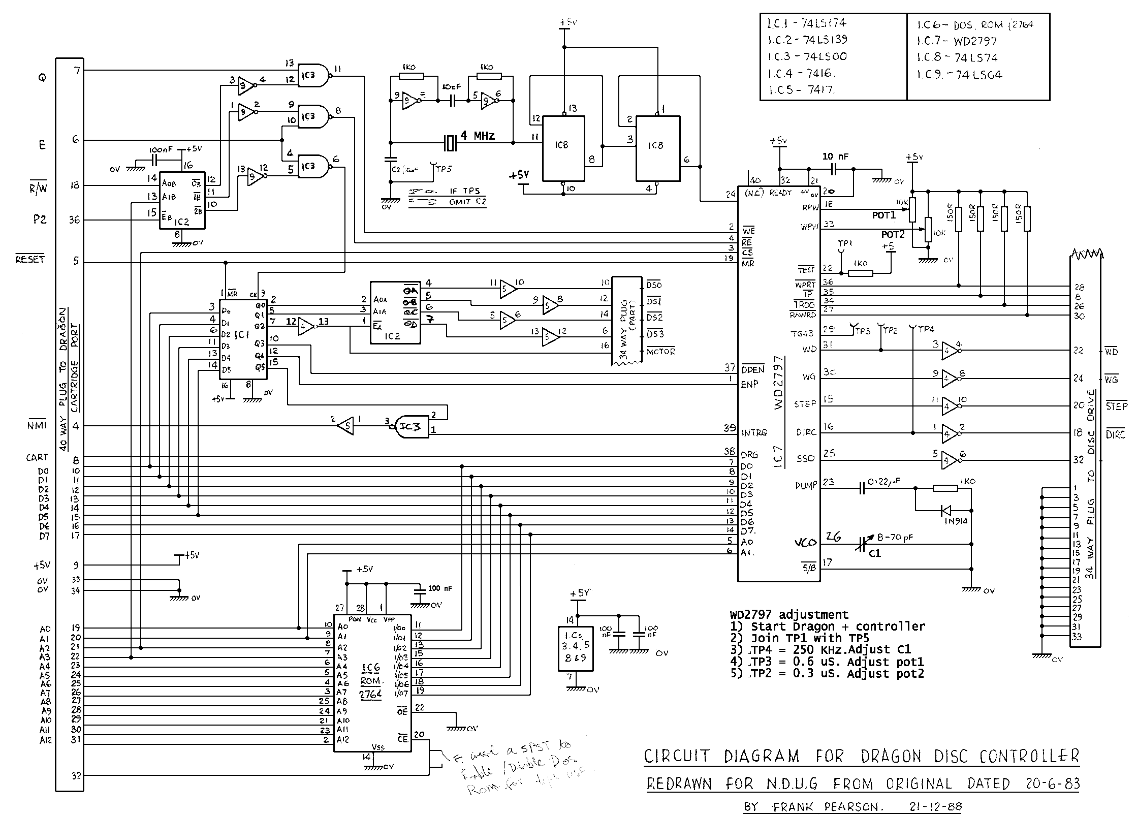
DragonDOS Cartridge/Controller Schematics

To ensure correct operation of the disk drives, the WD2797 in the DragonDOS controller needs to be correctly calibrated. There are a number of different suggested values, for example Western Digital suggests 450ns for TG43 (TP3), NDUG** 600ns and data sheets from 2797 clones 500ns. I recommend you try the suggested settings below and if still experiencing difficulties try the NDUG values. To perform the calibration you will need an oscilloscope.

Instructions:

  • Remove the top from the disk controller

  • Plug into the Dragon as normal and turn the Dragon on

  • Connect TP1 (TEST) to TP5 (GND)

  • Scope TP4 (DIRC)

  • Adjust C1 to 250Khz

  • Scope TP3 (TG43)

  • Adjust POT1 so that the pulse width is 500ns (600ns NDUG)

  • Scope TP2 (WD)

  • Adjust POT2 so that the pulse width is 250ns (300ns NDUG)

** National Dragon User Group

 

Many thanks to Phill Harvey-Smith for making the original scan.

WARNING

All the above scans are provided as 'AS IS' and are for information only. Please note that the original scans/pictures are of poor quality and are difficult to read. If you kill your Dragon or blow yourself up don't come running to me.

By downloading/viewing the above schematics (circuit diagrams) you agree to the above.